Напиши нова тема Отговори на тема  [ 2 мнения ] 
електронно запалване 
Автор Съобщение
Начинаещ

Регистриран на: Сряда, 10.05.2017 г. 17:54 ч.
Мнения: 5
Местоположение: España
Мнение електронно запалване
Добра вечер на цялото 2т общество .
Опитвам се да отворя линка към темата за присаждане на електронно запалване,но без успех :roll: :roll: :roll: . Исписва ми че архивът не е възможно да бъде отворен .
Имам нужда от схемата на самото електронно .
Може ли някой да ми помогне
Предварително благодаря


Неделя, 15.07.2018 г. 22:33 ч.
Профил YIM
Кандидат-фен
Аватар

Регистриран на: Петък, 15.02.2008 г. 22:12 ч.
Мнения: 305
Местоположение: София
Automobile: 601K S de luxe
Мнение Re: електронно запалване
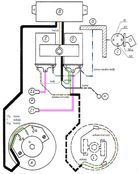
Схема на "черната кутия"
Прикачени файлове:
EBZA- Schaltplan.jpg
EBZA- Schaltplan.jpg [ 115.62 KiB | Прегледано 12285 пъти ]


Схема на свързване кабелите на електронното спрямо "чукчетата"
Прикачени файлове:
ebza.jpg
ebza.jpg [ 55.69 KiB | Прегледано 12285 пъти ]


Обяснение с картинки на немски
http://trabant-dachzelt.de/EBZA/EBZA1.jpg

Трябват ти и други бобини. Подходящите оригинални ГДР за електронно запалване са с номерация 8352.101/...
Сложи и нови кабели към свещите.

След като поставиш електронното:
Не оставяй на "контакт" без да работи двигателя за повече от 30 сек.
Докато работи двигателя, НИКОГА не махай клема на акумулатора.
Веднъж в годината скъсявай кабелите за свещи с 1 см от двата края.

_________________
Шофьори от стомана карат коли от картон
Klubburinn Skynsemin ræður


Понеделник, 16.07.2018 г. 10:51 ч.
Профил
Покажи мненията от миналия:  Сортирай по  
Напиши нова тема Отговори на тема  [ 2 мнения ] 


Кой е на линия

Потребители разглеждащи този форум: 0 регистрирани и 1 госта


Вие не можете да пускате нови теми
Вие не можете да отговаряте на теми
Вие не можете да променяте собственото си мнение
Вие не можете да изтривате собствените си мнения
Вие не можете да прикачвате файл

Търсене:
Иди на:  

Цени на горивата от www.lukoil.bg:

Powered by phpBB © phpBB Group.
Designed by Vjacheslav Trushkin for Free Forum/DivisionCore.
Преведено от: SEO блог на Йоан Арнаудов