| Автор |
Съобщение |
|
Turbo
Кандидат-фен
Регистриран на: Събота, 09.02.2008 г. 02:06 ч. Мнения: 326
Skype: kolestral
Automobile: Wartburg 353
|
 Разходомер
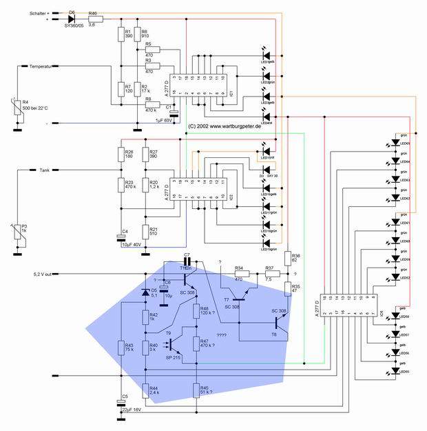
Откакто имам Вартубрг се опитвам да си направя разходомера да работи, но без особен успех. Когато си купих първия Вартбург разходомера му не работеше, смених му турбинката и проработи, но само за известно време, след което пак се развали. В момента имам може би 4-5 турбинки, 3 броя светлинни уреди за таблото и 2 Вартбурга. Пробвал съм всякакви възможни комбинации между тях, но без резултат. Докато карам, без значение колко газ съм подал, на разходомера свети само първата лампичка и втората съвсем бледо. След толкова сменени турбинки реших че проблема може да е в светлинните уреди на таблото и ги разглобих. Направи ми впечатление, че и на 3-те уреда този резистор който съм оградил на снимката се е "изпекъл". От изгорялото не мога да прочета маркировката. Някой има ли идея колко ома е?
_________________ GameOn
|
| Събота, 15.11.2008 г. 21:01 ч. |
|
 |
|
Nasakoto
Луд с картечница
Регистриран на: Събота, 02.02.2008 г. 13:04 ч. Мнения: 455 Местоположение: Густо майна, Филибето!...
|
 Re: Разходомер
Колко е точно - не знам, ама можеш да си го проследиш сам  Извинявай за ниското качество, ама нямам по-хубава.
_________________ Hard to the core !
|
| Събота, 15.11.2008 г. 21:20 ч. |
|
 |
|
Turbo
Кандидат-фен
Регистриран на: Събота, 09.02.2008 г. 02:06 ч. Мнения: 326
Skype: kolestral
Automobile: Wartburg 353
|
 Re: Разходомер
Благодаря много. Това би трябвало резистора R40(най-горе в ляво)
_________________ GameOn
|
| Понеделник, 17.11.2008 г. 13:09 ч. |
|
 |
|
353
Научи се как се сипва масло
Регистриран на: Понеделник, 18.02.2008 г. 18:41 ч. Мнения: 37 Местоположение: Велико Търново
|
 Re: Разходомер
Ами може да е изгоряла интегралната схема A277D смени я със UAA180 все пак може и други повреди да има. Аз на моя кат я смених проработи, бачкаше няколко месеца след това почнаха да светят как си искат светодиодите. Но от време на време се случва да се оправят. Имаше някаква особеност със захранването, че работи само като е включено в колата. Иначе ако го оправиш може да си смениш последните 2 светодиода, сложи червени вместо жълтите. Става по яко 
|
| Понеделник, 17.11.2008 г. 19:30 ч. |
|
 |
|
Gosho
Вече прави дребни ремонти
Регистриран на: Неделя, 10.02.2008 г. 21:27 ч. Мнения: 134 Местоположение: Русе
|
 Re: Разходомер
И аз така си мисля , защото за да нагаря така резистора има нещо изгоряло преди него. Най-вероятно да изгаря интеграла. Според мене ... така и така го отваряш това нещо редовно .... направи го пропорционално на оборотите , а не на миналия бензин. Хем по-полезно , хем по просто и ремонтно пригодно : )))
_________________
|
| Понеделник, 17.11.2008 г. 21:58 ч. |
|
 |
|
Turbo
Кандидат-фен
Регистриран на: Събота, 09.02.2008 г. 02:06 ч. Мнения: 326
Skype: kolestral
Automobile: Wartburg 353
|
 Re: Разходомер
Благодаря за съветите. Ще пробвам да сменя интегралната схема и дано оправя поне единия от уредите. Нямам представа как да го направя да работи пропорционално на оборотите, но ще се радвам да си работи и както си е предвидено. На всеки който се качи в колата трябва да му обяснявам какво е това и защо не работи  Иначе 353 е прав за червените светодиоди. Единия от уредите ми оригинално на разходомера си е с 5 зелени, 4 оранжеви и 3 червени и изглежда по-добре......когато работи
_________________ GameOn
|
| Вторник, 18.11.2008 г. 02:40 ч. |
|
|